
抖音 MV-CL084-90F1M 海康8192像素7μm XoFLink光口黑白线阵相机 像元7μm×7μm,行频可达120kHz
发布时间:2026/3/30 8:57:00MV-CL084-90F1M 海康8192像素7μm XoFLink光口黑白线阵相机 像元7μm×7μm,行频可达120kHz, XoFLink 光口黑白工业线阵相机 采用8192×4线CMOS Sensor,支持XoFLink光口传输,zui高行频可达120kHz,支持分时频闪、TDI等多种图像采集模式,并集成多种zui的新的ISP图像处理技术 传输模式1Link 动态范围63.4dB 信噪比40.8dB 曝光时间7μs~10ms 支持水平镜像 外触发,内触发 供电12~ 24VDC 功耗5.5W 镜头接口M72*0.75,法兰后焦 12 mm;可通过转接环转接至 F 口镜头 IP40防护等级 MV-CL084-90F1M
MV-CL084-90F1M
海康机器人8192像素,像元7μm×7μm,行频可达120kHz, XoFLink 光口黑白工业线阵相机


MV-CL084-90F1M工业线阵相机,采用8192×4线CMOS Sensor,支持XoFLink光口传输,zui高行频可达120kHz,支持分时频闪、TDI等多种图像采集模式,并集成多种zui的新的ISP图像处理技术,兼具高速、高精度、高性能等特点。
MV-CL084-90F1M 海康机器人8192像素,像元7μm×7μm,行频可达120kHz, XoFLink 光口黑白工业线阵相机 功能特性:
相机自带分时频闪、TDI采集控制,采集方式多样灵活
丰富的ISP图像处理技术,如Gamma 校正、平场校正、LUT、黑电平调节等
提供XoFLink光口的高带宽传输
结构设计紧凑,正面板和侧面板均有安装孔,可灵活安装
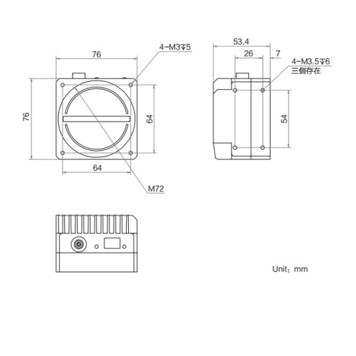
MV-CL084-90F1M 海康机器人8192像素,像元7μm×7μm,行频可达120kHz, XoFLink 光口黑白工业线阵相机 外形尺寸:

MV-CL084-90F1M 海康机器人8192像素,像元7μm×7μm,行频可达120kHz, XoFLink 光口黑白工业线阵相机 Sensor 响应曲线:

MV-CL084-90F1M 海康机器人8192像素,像元7μm×7μm,行频可达120kHz, XoFLink 光口黑白工业线阵相机 相关配件:
10Gbps 光口采集卡:MV-GS1002F
10Gbps 光口采集卡光模块:MV-AC10G-SFP
SFP+光纤跳线:MV-AC10G-2LC-2LC-ST
应用行业:
新能源、屏检、3C、PCB、半导体等。
订货型号:
MV-CL084-90F1M
MV-CL084-90F1M 海康机器人8192像素,像元7μm×7μm,行频可达120kHz, XoFLink 光口黑白工业线阵相机 详细技术参数:
型号
参数
MV-CL084-90F1M
8192像素 XoFLink 光口黑白工业线阵相机
性能
传感器类型 CMOS
像元尺寸 7μm×7μm
分辨率 8192×4
成像模式 支持分时频闪模式:1/2/3/4 灯
支持 1-Line、2-TDI、4-TDI
zui大行频 1 灯模式:120kHz(1-Line)
2 灯模式:55.5kHz(1-Line)
3 灯模式:37kHz(1-Line)
4 灯模式:27.8kHz(1-Line)
传输模式 1Link
动态范围 63.4dB
信噪比 40.8dB
增益 1.0×、2.0×
曝光时间 7μs~10ms
快门模式 支持自动曝光、手动曝光、一键曝光
黑白/彩色 黑白
像素格式 Mono 8/10/12
Binning 不支持
镜像 支持水平镜像
触发模式 外触发,内触发
外触发模式 行触发
电气特性
数据接口 LC光纤接口
数字 I/O 12-pin P10接头提供供电
供电 12~ 24VDC
典型功耗 5.5W@24VDC
结构
镜头接口 M72*0.75,法兰后焦 12 mm;可通过转接环转接至 F 口镜头
外形尺寸 76mm×76mm×53.4mm
重量 约 500g
IP 防护等级 IP40(正确安装镜头以及线缆的情况下)
温度 工作温度-20 ~ 50℃,储藏温度-30 ~ 80℃
湿度 5% ~ 90%RH 无冷凝
一般规范
软件 MVS
操作系统 Windows XP/7/10 32/64bits
协议/标准 XoFLink,GenlCam
认证 CE,RoHS
MV-CL084-90F1M 海康8192像素7μm XoFLink光口黑白线阵相机 像元7μm×7μm,行频可达120kHz, XoFLink 光口黑白工业线阵相机 采用8192×4线CMOS Sensor,支持XoFLink光口传输,zui高行频可达120kHz,支持分时频闪、TDI等多种图像采集模式,并集成多种zui的新的ISP图像处理技术 传输模式1Link 动态范围63.4dB 信噪比40.8dB 曝光时间7μs~10ms 支持水平镜像 外触发,内触发 供电12~ 24VDC 功耗5.5W 镜头接口M72*0.75,法兰后焦 12 mm;可通过转接环转接至 F 口镜头 IP40防护等级 MV-CL084-90F1M