-
图文详情
-
产品属性
-
相关推荐
电感式接近开关BALLUFF结构图BHS0058
我们的电感式位置传感器在狭小的安装条件下也能给人留下深刻印象:电感式位置传感器可集成,具有精度,可对金属物体进行非接触式位置测量,因此无磨损。它们通过一个简单的目标可靠地检测线性测量路径。机器的一个简单部件,如旋转盘,就可以作为目标。根据型号的不同,测量值可通过 IO-Link 或模拟输出信号输出。
电感式管状传感器可方便地安装在进料管上
堆叠距离大于 20 毫米
节省时间,减少浪费:多重包装可节省时间和减少浪费
传感器安装快捷方便,其专门开发的带 LED 的塑料后端可 360° 显示传感器的状态。除了工作状态外,现在还能显示电源和故障,例如短路。这样,您就可以随时监控一切,更快、更方便地识别故障,减少停机时间,提高系统可用性。
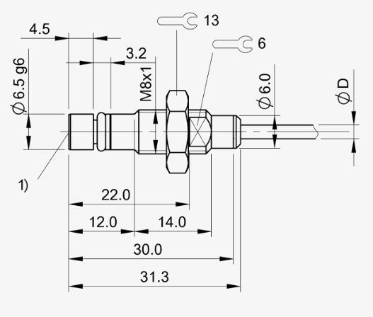
尺寸 ? 6.5 x 31.3 mm
结构 M8x1
安装 齐平
电感式接近开关BALLUFF结构图BHS0058


电感式接近开关BALLUFF结构图BHS0058
圆柱型配备有 8 mm 组合插头或带 m 12 螺纹的标准插头(3 极或 4 极)。另外还需要一个电缆头用于插头- 插座连接。还为 m 18 型和 m 30 型提供了带 m 18 螺纹的插头(3极)选件。 电缆 一般使用聚氨酯 (pur) 耐油外皮高柔性电缆,标准长度为 2m。对于电缆要与酸或碱接触的应用,请订购带 pvc 电缆的器件。对于在要符合 ul 和 csa 要求的应用中使用的器件,必须订购 pvc电缆。 电缆长度 对于接近开关,长电缆会引起: 输出上的电容性负荷 干扰注入增加 甚至在有利条件下,电缆长度也不要超过 300 m。
作用范围 1.5 mm
开关输出端 PNP常开触点 (NO)
开关频率 4000 Hz
外壳材料 不锈钢
感应面,材料 陶瓷
接口 电缆,2.00 m,PUR
工作电压Ub 10~30 VDC
环境温度 -25...80 °C
电感式接近开关BALLUFF结构图BHS0058
贸易商
全新
-
10~30 VDC
-25...80 °C






