-
图文详情
-
产品属性
-
相关推荐
Rexroth比例减压阀ZDR6DP2-4X/75YM图片
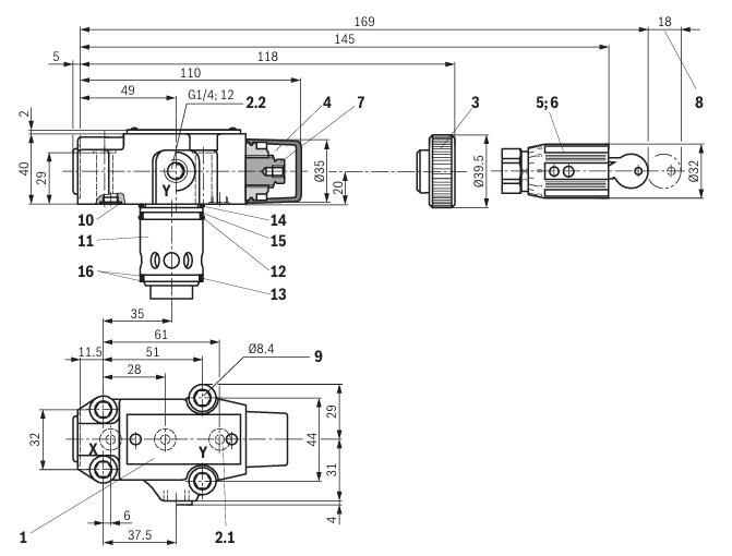
当阀芯(2)一端受先导油压时﹐阀芯运动至操作位置﹐相应的油口打开·当撤去控制压力﹐阀芯另一端的弹簧把阀芯推回中位或初始位置。
当磁铁关闭时,先导控制活塞返回到起始位置。弹簧室()相对于容器被释放。控制油从弹簧室(7)返回内部通过先导阀(4)返回到通道T(Y)。
比例磁体(5)中的电流衰减;弹簧(13)逆着比例磁推动先导控制活塞(4.1)并打开X与控制室(12)的连接;控制室(12)中的压力积聚;控制室(12)中的孔表面上的压力加上使孔活塞(3)闭合的力(10)。
用于限制系统压力的先导操作阀?通过比例电磁阀进行操作?适用于板下安装和螺纹连接:符合ISO 6264标准的端口布局?压力限制?阀门和控制电子设备来自同一来源?集成电子设备(OBE)采用DBEME型:命令值压力特性曲线的制造公差较小
可选择的应急手动操作(9)·在电磁铁不通电情况下,可对先导滑阀(10)进行操作。
比例磁体(5)使先导控制活塞(4.1)相对于弹簧(13)移动,并打开控制室(12)与Y的连接;控制室(12)中的压力释放,并通过表面(15)上的压力将柱(3)释放到开口中。
原则上,如果可能的话,阀门应该在排放管线中没有背压的情况下运行。在排放管线中存在背压的情况下,可能体积流量降低。排放管线中的背压pT和体积流量qV之间存在关系,这可以从下面的特性曲线中看出。未列出的响应压力中间值的特性必须通过插值来确定。在每种情况下,当体积流量接近零时,背压pT为响应压力的10%。随着体积流量的增加,背压pT减小
Rexroth比例减压阀ZDR6DP2-4X/75YM图片


Rexroth比例减压阀ZDR6DP2-4X/75YM图片
R900904439 4WRA6E30-2X/G24K4/V
R900928873 DRE6-1X/210MG24K4M
R901142775 S25P15-1X/V
ZDB6VP2-4X/315V
R900345372 M-SR15KE05-1X/
Rexroth 510425009
R900932271 PGF2-2X/011RE01VE4
R900951303 PGH3-2X/011RE07VU2
R900951302 PGH2-2X/008RE07VU2
R900961551 PGH2-2X/008RR07VU2
R900932126 PGF2-2X/022RE20VE4
Rexroth比例减压阀ZDR6DP2-4X/75YM图片
贸易商
全新
-
–20 至 +70
315






