-
图文详情
-
产品属性
-
相关推荐
安全阀海隆2493230080102400特点
双阀控制系统,本质安全无残余压力
适用于气动离合器和制动系统及其他三通安全功能
可快速便捷调节机械压力机上的"重叠量"
无需额外电气监控
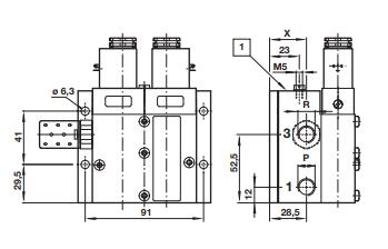
介质 压缩空气
工作温度 -10 ... 60 °C,14 ... 140 °
根据供电电源种类,分别选用交流和直流电磁阀。一般来说交流电源取用方便;
电压规格用尽量先选用AC220V.DC24V;
电源电压波动通常交流选用+%10%.-15%,直流允许±%10左右,如若超差,须采取稳压措施;
应根据电源容量选择额定电流和消耗功率。须注意交流起动时VA值较高,在容量不足时应优先选用间接导式电磁阀。F
工作压力 2 ... 8 bar,29 ... 116 psi
接口尺寸 G1-1/2,G2
驱动方式 先导电磁/弹簧复位
功能 常闭(NC)
安全阀海隆2493230080102400特点


安全阀海隆2493230080102400特点
阀门操作 3/2
排气流量 55000 升/分钟,1942 标准立方英尺/分钟
流量 18333 升/分钟,647 标准立方英尺/分钟
普通电磁阀只有开、关两个位置,在控制精度要求高和参数要求平稳时需选用多位电磁阀;
动作时间:指电信号接通或切断至主阀动作完成时间;
泄漏量:样本上给出的泄漏量数值为常用经济等级。
工作寿命,此项不列入出厂试验项目,属于型式试验项目。为确保质量应选正规产品。
工作制式:分长期工作制,反复短时工作制和短时工作制三种。对于长时间阀门开通只有短时关闭的情况,则宜选用常开电磁阀。
工作频率:动作频率要求高时,结构应优选直动式电磁阀,电源听优选交流。
海隆 2401138.0801.024.00。
8020765
8240600.9101.230.50
B72G-2AS-000-014 诺冠
VP5002BJ411H00
8273300 4670 02400 宝硕
诺冠 B68G-NNK-AR3-RLN过滤减压阀+ +框架
安全阀海隆2493230080102400特点
贸易商
全新
-
-10 ... 60 °C
2 ... 8 bar






