华天单相高频模块化应急电源
价格:电议
地区:山东省 济南市
电 话:0531-82670066
手 机:15562616099
图文详情
产品属性
相关推荐

EPS应急电源产品概述
EPS应急电源采用“模块即整机”的集成化设计理念,结构紧凑,空间适应性强。只需与断路器、蓄电池简单接线,即可快速完成系统搭建,显著缩短部署周期。显示模块支持独立安装,布局灵活。采用高效率SPWM逆变技术,保障优越的供电质量。
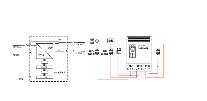
EPS应急电源系统构成

模块内部集成控制、逆变、检测、保护、切换等电路及显示组件。
根据模块接线端子图连接输入、输出、电池等断路器及蓄电池组,构成完整的应急电源系统。
EPS应急电源设备处于“自动”运行状态时,如果市电输入在正常范围内,模块内切换装置将输出市电;同时,市电经充电器对蓄电池充电。当市电中断或异常时,控制器启动逆变器,同时切换装置将逆变器投切输出,电池组的直流电经过逆变器变换为交流电供给应急输出负载。
技术参数

170-280VAC
230VAC±5%
50±0.1Hz
正弦波