-
图文详情
-
产品属性
-
相关推荐
直动式herion电磁阀2636265操作方式
电磁阀一般流通系数很小,而且工作压力差很小。比如一般25口径的电磁阀流通系数比15口径的电动球阀小很多。电磁阀的驱动是通过电磁线圈,比较容易被电压冲击损坏。相当于开关的作用,就是开和关2个作用。
电动阀的驱动一般是用电机,比较耐电压冲击。电磁阀是快开和快关的,一般用在小流量和小压力,要求开关频率大的地方电动阀反之。电动阀阀的开度可以控制,状态有开、关、半开半关,可以控制管道中介质的流量而电磁阀达不到这个要求。
它是一种直动和先导式相结合的原理,当入口与出口没有压差时,通电后,电磁力直接把先导小阀和主阀关闭件依次向上提起,阀门打开。当入口与出口达到启动压差时,通电后,电磁力先导小阀,主阀下腔压力上升,上腔压力下降,从而利用压差把主阀向上推开;断电时,先导阀利用弹簧力或介质压力推动关闭件,向下移动,使阀门关闭。
特点:1.在真空、负压、零压时能正常工作,但通径一般不超过25mm。
2.在零压差或真空、高压时亦可动作,但功率较大,要求必须水平安装。
电磁阀一般断电可以复位,电动阀要这样的功能需要加复位装置。
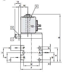
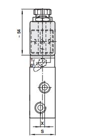
直动式电磁阀是电磁阀门的一种,通过电磁力直接驱动阀芯实现启闭控制,适用于真空、负压及零压工况,常规通径不超过25毫米。该设备分为常闭型和常开型,常闭型通电时电磁线圈产生磁力开启阀门,断电后弹簧复位关闭;常开型工作原理相反 [2-3] [5]。其结构包含阀体、阀杆、密封部及复位弹簧等组件,通过消除阀杆背压实现零压启动,提高响应速度 。
直动式herion电磁阀2636265操作方式


直动式herion电磁阀2636265操作方式
8021950 诺冠
B72G-2AS-000014 诺冠
6313MR1000-02400-01
B74G-4AS-995
2636065 海隆
M/20154/172/MDZ83J
6215L0510.2050.024.00
S10DH5319G0390015OV, 125 VDC 诺冠
海隆 2493230080102400
海隆 2401138.0801.024.00。
8020765
8240600.9101.230.50
B72G-2AS-SPCN60265
直动式herion电磁阀2636265操作方式
制造商
全新
-
-10 ... 60 °C
1 ... 10 bar





