-
图文详情
-
产品属性
-
相关推荐
Lambrecht兰博瑞风速传感器14594
ORA-风速传感器
货号:00.14594.220100
应用:
l 风力涡轮机;
l 农业;
l 风力预警系统;
l 工业;
非常适合太阳能应用
ORA 风速传感器的特点是精度、坚固性和专业性。它们具有不到 2 mA 的低功耗,非常适合太阳能供电应用。传感器完全由耐海水铝制成,在垂直作位置提供 IP 65 防护等级。如果需要,可以在现场轻松更换杯式转子。
l 低功耗;
l 全金属外壳由耐海水铝制成;
l 现场可更换的杯形转子由耐海水的铝制成;
l 直立位置防护等级 IP 65;
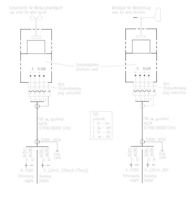
Lambrecht兰博瑞风速传感器14594技术参数:
专业系列 | ORA |
编号: | 00.14594.220100 |
测量范围: | 0.4...75米/秒;±0.3米/秒≤10米/秒;±1%FS ...50米/秒 |
准确性: | <±0.5米/秒 |
分辨率: | <±0.1米/秒 |
起始值: | 0.4 米/秒 |
输出: | 0...2.5 伏 = 0...75 米/秒 |
最强风力冲击速度: | 80 米/秒 |
电源电压: | 4...15 伏直流电 |
电流消耗: | < 2 mA(低功耗) |
测量原理: | 磁性定位编码器系统 (MPES) |
尺寸: | 杯形摆陀 ? 108 mm;高 192 毫米 |
机身: | 耐海水铝;防护等级 65;用于 ? 30 mm 的孔,10 mm 的材料厚度;包括插头连接器 |
重量: | 约 0.9 kg |
标准: | VDI 3786,第 2 页;WMO 第 8 号 |
附件(单独订购): | ID 32.14627.010000 遍历;传感器距离:75 cm |
Lambrecht兰博瑞风速传感器14594图片:


5000
0.4...75米/秒
0...2.5伏=0...75米/秒
4...15伏直流电
<2mA(低功耗)
0.4米/秒
?108mm;高192毫米
不锈钢






