-
图文详情
-
产品属性
-
相关推荐
产品名称:一氧化碳 传感器(CO SENSOR) 
产品型号:CM 9
产品品牌: CM
所属分类: 电化学气体传感器
电化学一氧化碳气体传感器CM9概括
1 使用寿命长,电化学原理;
2 对乙醇低敏感性;
3 能减少各种干扰气体影响很高的线性输出特性;
4 一致性非常好; 5 一氧化碳气体的选择性和重复性非常好;
6 传感器信号输出与一氧化碳气体浓度成线性关系;
7 最*新的工艺和材料;
8 满足UL2034,EN50291与RoHS的要求。
电化学一氧化碳气体传感器CM9的应用
1 一氧化碳报警器;
2 车载报警器;
3 智能家居;
4 商用一氧化碳检测仪;
5 工业用一氧化碳检测仪;
6 室内停车场通风控制;
7 便携式一氧化碳浓度计;
8 CO 探测报警。
电化学一氧化碳气体传感器CM9参数

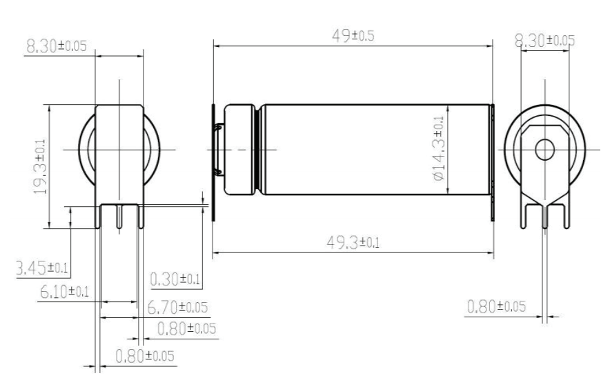
电化学一氧化碳气体传感器CM9外形尺寸

电化学一氧化碳传感器(CO传感器)温/湿度特性曲线:

电化学一氧化碳传感器(CO传感器)灵敏度特性:
下图所示在标准试验条件下,测出具有代表性的灵敏度特性曲线。纵坐 标表示传感器在一氧化碳气体中的输出电流(IOUT/μA),输出电流在 0-500ppm 范围内显示了±5%以内偏差的较高直线性,说明其CO传感器 具有很好的性能

上表格测试温度与湿度:
23°C ±2, 50% R.H.0-500ppm一氧化碳传感器的输出电流。
--------------------------------------------------------------------------------------------------------------------------------------------------------------------------------------------------------------------------------------------------------------------------------------------------------------------------------
一. 一氧化碳 传感器(CO SENSOR)CM 9 特点: 1 使用寿命长,电化学原理; 2 对乙醇低敏感性; 3 能减少各种干扰气体影响很高的线性输出特性; 4 一致性非常好; 5 一氧化碳气体的选择性和重复性非常好; 6 传感器信号输出与一氧化碳气体浓度成线性关系; 7 最*新的工艺和材料; 8 满足UL2034,EN50291与RoHS的要求。 二. 一氧化碳 传感器(CO SENSOR)CM 9 典型应用: 1 一氧化碳报警器; 2 车载报警器; 3 智能家居; 4 商用一氧化碳检测仪; 5 工业用一氧化碳检测仪; 6 室内停车场通风控制; 7 便携式一氧化碳浓度计; 8 CO 探测报警。
CO
1
10年
0-10000
5 - 99 % RH
< 3%
< 3%






