-
图文详情
-
产品属性
-
相关推荐
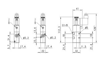
康茂盛电磁阀358-011-02-G77参数
结构形式 滑阀型
类别 二位三通,双二位三通,二位五通,三位五通(中封、中泄、中压)
材料 铝阀体,不锈钢阀芯,腈橡胶密封件
接口 G1/8 - G1/4
安装位置 任意
列电磁阀是滑阀型电磁驱动先导式方向控制阀.其单稳式的复位形式有机械弹簧复位和气弹簧复位两种。阀的接口有 G1/8 和 G1/4 两种.除二位三通、二位五通和三位五通外.还可提供双二位三通型机能。
康茂盛电磁阀358-011-02-G77参数


康茂盛电磁阀358-011-02-G77参数
这些阀门在工业自动化领域具有的多功能性,可通过电信号控制压缩空气流量。它们允许多种配置和控制模式,确保地适应每种工业应用的特定需求。电控气控阀具有灵活性,是提高自动化系统效率和可靠性的基本要素。
这些阀门可根据应用需求逐步调节压缩空气。它们能够以较低的初始压力启动气流,并逐渐增加压力,直至达到所需的流量。由于具有这一特性,软启动阀允许对执行器进行可控的重新定位。
3 系列电磁阀配有多种形式的手控装置.可根据具体的工况或使用习惯选择合适的类型。
工作温度 0 ÷ 60°C (with dry air at -20°C)
工作压力 See tables
插装阀为气动系统的集成和简化提供了创新解决方案。这些设备采用紧凑的模块化设计,易于安装和维护,从而减少了停机时间和相关成本。其多功能性使其适用于广泛的工业应用,确保对压缩空气流量进行可靠而的控制。
这些阀门通过活塞或柱塞响应气动或电信号来调节空气通道的打开和关闭。由于其可靠性和多功能性,气动控制阀广泛应用于各种工业领域,有助于优化流程并确保工厂的高效运行。
气控阀是气动系统中控制压缩空气流量的基础。气控阀门的操作基于气动先导技术,通过气动先导技术可以进行阀门切换,调节气道的开启和关闭。这些设备广泛应用于工业领域,用于控制执行器、气缸和其他气动元件,确保自动化系统快速可靠地运行。
电磁阀是工业自动化系统中的基本组件,可实现对空气、水、气体和其他液体等流体流量的控制。
当超过预定的压力极限时,这些装置会自动启动,从而控制压缩空气的释放,防止设备损坏并消除安全风险。凭借其可靠性和快速反应能力,气动安全阀可确保工业设备安全高效地运行。
康茂盛电磁阀358-011-02-G77参数
贸易商
全新
-
G1/8 - G1/4
0 ÷ 60°C





