-
图文详情
-
产品属性
-
相关推荐
德国Lambrecht静态气象传感器EOLOS-IND
静态气象传感器EOLOS-IND
应用:
l 风力涡轮机;
l 交通气象;
l 气象服务和环境机构;
l 化工和工业厂房;
l 发电厂;
l 废水处理厂和垃圾填埋场;
可测风速高达85 m/s
适用于广泛应用的天气传感器。天气模块中的集成传感器以高精度测量环境参数。静态测量系统的紧凑结构和节省空间的坚固外壳使传感器非常耐用。
?可测量的风速高达85 m/s;
?不移动测量元件;
?可测量的五个天气参数:两个风参数、气温、相对湿度、气压和露点;
?用于测量温湿度传感器的薄片庇护所;
?适用于所有气候带的加热;
?易于安装,易于维护;
产品型号 | 静态气象传感器EOLOS-IND |
货号 | 静态气象传感器EOLOS-IND H加热:00.16430.010002 |
风向测量范围: | 0...360° |
风速测量范围: | 0.1…85米/秒 |
空气温度测量范围: | -40…+70°C |
相对湿度测量范围: | 0…100%相对湿度 |
气压测量范围: | 600…1100 hPa |
风向准确度: | ± 3° |
风速准确度: | ±0.5 m/s±5%的测量值 |
空气温度精度: | ±0.8°C(v>2 m/s) |
相对湿度精度: | ± 3 % (10...90 %); ± 4 % (0...100 %) |
气压准确度: | ±2百帕(-30…+70°C) |
风向分辨率: | 1° |
风速分辨率: | 0.1米/秒 |
空气温度分辨率: | 0.1°C |
相对湿度分辨率: | 0.5%相对湿度。 |
分辨率大气压: | 0.1hPa |
协议: | NMEA 0183;WIMWV;温湖;温伯格;温塔 |
接口: | 序列号;RS 422/通话器;波特率4800;1 Hz(测量周期为10 Hz);8 N 1 |
适用范围: | 温度-40…+70°C加热;风速0…100米/秒;0…100%相对湿度。 |
电源电压: | 24伏直流电(-22%/+34%);2.5A;加热:24 VDC/70 W(3 A);电子。限制的 |
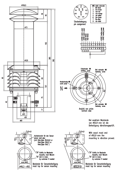
尺寸: | 高382毫米;?120毫米;?50 mm的桅杆适配器,用于安装在标准管道上 |
机身: | 阳极氧化铝;IP 66 |
重量: | 约2.5公斤 |
选项(单独订购): | 指示器单元,例如(14742)METEO-LCD;数据记录器,例如met[LOG];桅杆和电源装置;可视化和评估软件MeteoWare-CS3 |
配件(单独订购): | 32.16420.066100 10米电缆;12极卡口插头,随时可用 |
德国Lambrecht静态气象传感器EOLOS-IND
制造商
全新
德国
600…1100 hPa
0...360°
0.1…85米/秒
-40…+70°C
0…100%相对湿度






