电缆故障测试仪(中西器材) BJXHGG501B
价格:电议
地区:北京市
电 话:18910282272
手 机:18910282272
图文详情
产品属性
相关推荐
电缆故障测试仪(中西器材)BJXHGG501B
产品特点
1.工业级5.7寸双色屏;
2.单片机集中控制,按键式操作方式,抗干扰
3.具有测距、测速、测阻等功能;
4.微型打印机与主机一体化,可随*时打印测试波形及测试报告;
5.全自动连续采样,波形捕捉及时、准确;
6.具备低压脉冲取样法,闪络取样法;
7.内置电池组,使用便捷;
8.采用防护机箱,不低于IP54。
电缆故障测试仪(中西器材)BJXHGG501B
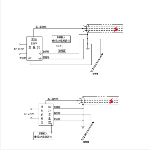
本电缆故障测试仪适用不同截面、不同介质的各种材料的电力电缆、同轴电缆、路灯电缆、地埋电线等的低阻、短路、开路断线故障,以及泄漏性高阻和闪络性高阻故障。技术参数符合《DL∕T 849.1电力设备测试仪通用技术条件第I部分:电缆故障闪测仪》、《JJF1042电缆故障测试仪校准规范》标准要求。
电缆故障测试仪(中西器材)BJXHGG501B
技术参数
采样频率:100MHz;
低压脉冲幅度:35V;
脉冲宽度:0.2uS/2uS;
分辨率:1.0m
测试盲区:≤35m;
测距范围:≥32km;
测量误差:≤±(0.5%×L+1m),L为电缆长度;
通讯接口:RS232;
供电方式:充电AC110V~240V,50Hz/60Hz;
内置5200mAH锂电池供电;
工作条件:-20~+65℃,相对湿度≤90%;
体 积:358L×284W×168H
重 量:4.6kg





制造商
全新
中国
100MHz
M379797