Alpha & Omega Semiconductor Inc AO7413分离式半导体产品,现货供应AO7413接受批量订货
价格:电议
地区:
图文详情
产品属性
相关推荐
| 描述 | MOSFET P-CH -20V -1.4A SC70-3 |
| RoHS | 无铅 / 符合限制有害物质指令(RoHS)规范要求 |
| 标准包装 | 1 |
| 类别 | 分离式半导体产品 |
| 家庭 | FET - 单 |
| 系列 | - |
| FET 型 | MOSFET P 通道,金属氧化物 |
| FET 特点 | 逻辑电平门 |
| 漏极至源极电压(Vdss) | 20V |
| 电流 - 连续漏极(Id) @ 25° C | 1.4A |
| 开态Rds()@ Id, Vgs @ 25° C | 113 毫欧 @ 1.4A,10V |
| Id 时的 Vgs(th)() | 1.4V @ 250µA |
| 闸电荷(Qg) @ Vgs | 6nC @ 4.5V |
| 输入电容 (Ciss) @ Vds | 620pF @ 10V |
| 功率 - | 350mW |
| 安装类型 | 表面贴装 |
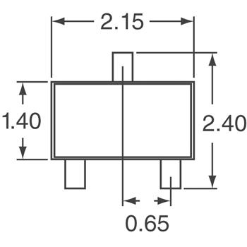
| 封装/外壳 | SC-70,SOT-323 |
| 供应商设备封装 | SOT-323 |
| 包装 | Digi-Reel? |
| 其它名称 | 785-1091-6 |
Alpha&OmegaSemiconductorInc
SC70-3
1006+
4800