
浅谈木材加工企业的电气火灾隐患及电气火灾监控系统的应用
发布时间:2023/6/13 14:18:00安科瑞 崔丽洁 18706168965
摘要:本文分析了木材加工企业的特点、现状及常见电气火灾隐患,提出了消灭电气火灾隐患的措施。结尾介绍了木材加工企业常用电气设备的选用及电气火灾监控系统在其低压配电系统的应用方案及产品选型。
关键词:木材加工企业;电气火灾;电气火灾监控系统
随着我国国民经济的飞速发展,木材加工工业也迅速发展起来,木材的综合利用率不断提高。国有、集体、私营以及三资性质的木材加工企业不断增加。由于一般木材加工厂的厂房防火性能较低,加工原料都是可燃物质,剩余废料更容易燃烧。其中如木屑等遇火后,阴燃时间较长,不易及时发现;有的工序使用易燃胶液,因此,这类企业容易发生火灾,一旦发生火灾,损失巨大。
1 木材加工企业的特点
木材属于可燃物质,燃点低,一般在250℃~300℃,有的木材用明火点燃时,较低着火点为157℃,自燃点一般在350℃左右。在木材加工过程中,产生大量的锯末、刨花、木屑、木粉等,这些物质比木材疏松,与空气接触面大,水分容易蒸发,所以比木材更易燃烧。此外,木屑如果堆积在一起,由于锯木时摩擦而生产的热量未散,或受辐射热的影响,以及发热等原因,促使气化过程加速,产生更多的热量,往往使堆内温度不断提高,而且聚集不散,引起自燃。特别是在人造板生产中还大量使用易燃,可燃的胶料,相应地又增加了木材加工生产过程中的火灾危险性。木材加工,除胶料配制、油漆等工段属甲类生产外,大部分生产工艺都属于丙类生产,但与其他丙类生产相比较,木材加工的火灾危险性要大。所以,国家对木材加工企业的防火工作特别重视,将该类企业列为①级防火单位。对新建木材加工企业的设计、施工审查验收非常严格,同时对已生产的木材加工的企业的安全消防工作不断进行严格的监督检查,以防止火灾事故的发生。然而发生在木材加工企业的火灾事故仍连年不断,给国家和企业带来巨大的经济损失,人民的生命和财产安全受到严重威胁。
2 火灾形势
由于我国的社会消防工作基础薄弱,长期滞后于经济建设的发展,至今火灾发生率仍然较高。根据1998年1月1日公安部消防局孙伦局长在北京举行的新闻发布会上公布的1997年统计数据:1997年,全国共发生火灾(不含森林、草原火灾)14余万起,死2722人,伤4930人,直接财产损失15.4亿元。其中发生特大火灾88起,死亡454人,伤366人,直接财产损失3.6亿元。造成火灾的主要原因中,违章用电、乱拉乱接电线等引起的火灾占很大的比例。由此可见,木材加工企业的消防工作不容忽视。
3 木材加工企业的现状和常见的电气隐患
近年来,随着市场经济的发展,木材加工行业发展迅速,行业格局也发生了很大的变化。由国营大中型企业为主,变为以三资企业、个体和私营企业为主的局面。目前原国营大中型企业,由于受市场经济的冲击较大,企业经济效益连年滑坡,有的停产关门,有的出租、转让生产厂房和设备,有的“腾笼养鸟”搞第三产业。总之,企业经济效益差,无力对老厂房、旧电气线路进行技术改造,使电气火险隐患逐年突出。近年来新建的“三资”企业,大都由设计部门设计,并经过消防部门的审查、验收,消防状况总的来说是比较好的。但是,为了扩大产量、提升效益、降低成本,往往采用满负荷甚至超负荷生产。在生产过程中,原料、在产品、成品和废料的堆放也比较密集,疏忽了安全防火的管理。个体私营企业,由于资金少,规模小,只注重生产,不重视安全防火。从设计到生产均不正规,生产和管理人员消防安全意识淡薄。这类企业,生产场地窄小,厂房简陋,设备布置拥挤,电气线路乱拉乱接,电器元件残缺、裸露,产品乱堆乱放,粉尘、木屑遍地,火灾隐患非常严重。木材加工企业中存在的电气火灾隐患主要有以下几方面。
电气线路和设备的设计、施工不规范
未按照国家有关设计防火规范和爆炸和火灾危险环境电力装置设计规范进行设计和电气设备选型。或者生产场所的防火防爆等级确定不当,设备选型不当。例如,油漆厂房属爆炸危险场所,常见有的小厂家使用普通铁壳开关或胶盖刀闸,绝缘导线穿塑料管明敷,有的甚至直接采用绝缘导线明敷为用电器具供电。又如:有些厂家在有火灾爆炸危险场所,使用防护式电动机生产。有的小厂家甚至将油漆、锯机、刨床等设备都集中在一个狭小的厂房里进行生产,电气线路乱拉乱接,等等。施工粗糙,未按施工规范要求进行施工。主要有:购买的电气材料质量差,电线电缆的线径不够、中间有断股;电线、电缆与设备或用电器具的连接未用接线端子,直接缠绕后加螺母;接线端子连接时未用垫圈,压接不紧;铜、铝导体未经过处理直接连接;电线保护管使用不当;保护接地和接零混用;接地电极数量不够、接地电阻大,等等。新增用电设备,未核算原有供电设备和线路的负载率,未按电压损失校验截面积;线路的敷设方式不规范,接通了事。电气控制元器件的选择使用未考虑现场的生产环境和防火等级。
在正常生产中疏于管理,不重视维修检查
常见的电气隐患有:(1)变压器缺油、长期过载、绝缘油油质下降;(2)门、窗损坏,蛇、鼠等小动物进入变配电间;(3)用铜丝代替保险丝;(4)电机轴承缺油,接线端子连接不良,端子盒盖缺损;(5)电压低,电动机的启动转矩不够;(6)电控柜密封差,内部积灰、积粉尘严重;(7)线路绝缘老化、脱落、线头裸露;(8)线路过负荷,发热严重;(9)接头处因氧化、锈蚀,接触电阻增加;(10)线路乱拉乱接;(11)用普通的胶木刀闸代替铁壳开关和自动开关;(12)铁壳开关的外盖损坏或常打开;(13)在油漆、粉尘严重的场所拉接大功率的普通白炽灯;(14)产成品的堆码过高,紧靠照明灯具;(15)生产区灯泡碎裂后,不及时更换;(16)胶木灯口上拧接200W以上的白炽灯泡;(17)生产操作人员随意使用电炉等电热器具;(18)灯口、接线盒开关损坏;残缺、接头裸露,等等。
4 历史教训
1990年一场大火无情的烧毁了成都木材综合工厂制材车间,直接经济损失近两百多万元,间接损失难以估计。经成都市消防支队在现场勘查取证,认定为电气引起火灾。火灾的前一天下午,生产线5#断锯机操作工工作完成后,未拉开电源刀闸,匆匆下班,离开了车间。晚上,该设备的磁力起动器因绝缘击穿,引起相间短路,电弧和高温铜熔珠从破损的外壳缺口处飞,引燃楼板的锯末、粉尘。火势迅速漫延,在短短的几十分钟内,将建筑面积2000多平方米,生产规模为年产3万立方米锯材的制材车间毁于一旦。损失是惨重的,教训也是非常深刻的,所以,提高消防意识,加强安全用电管理是非常重要的。
5 木材加工企业消灭电气火险隐患的措施
大力宣传《消防法》,提高消防意识,增加消防知识
近年来,我国火灾形势严峻,大火灾时有发生,造成了大量人员伤亡,直接财产损失数十亿元。在一定程度上影响了经济建设和社会安定。对此,我国政府非常重视,于1998年4月29日公布了《中华人民共和国消防法》并于1998年9月1日正式实施。要防止火灾于未然首先是要充分认识火灾的危害性,加大宣传力度,使企业每一个职工都能对火灾的危害性有充分的认识。同时要加强职工队伍的消防知识和消防技能的培训,提高每一个职工的防火、救火能力。
认真执行《消防法》按规范设计、施工、验收、预防火险隐患的产生
对于新建和进行技术改造的木材加工企业,须严格按照有关建筑防火规范和《爆炸和火灾危险环境电力装置设计规范》(GB50058-92)进行电气部分的设计,并严格按照规定报消防部门审核、验收,为将来的消防安全工作打好基础。
加强工程项目施工的检查验收工作,确保电气安装工程质量达到要求,预防电气火险隐患的发生
首先要严把电气安装工程所需材料、设备的购置关。目前,市场上电气产品、良莠不齐,以绝缘导线为例,市场上常见的伪劣产品有的实际截面积小于标称截面积达10%以上;有的标明长度为100米,实际只有80多米;有的芯线有断股;有的绝缘层厚薄不匀,且韧性差,易拆断等等。这类生产厂家的多数是无生产许可证的一些小型乡镇企业。所以,在材料采购时一定要注意产品的生产厂家、生产许可证和产品检验合格证等,不可贪便宜。
在施工过程中要严格按照设计图要求和有关电气安装验收规范进行安装施工。特别要在细小部位上按规范要求做好。要确保每个导线(体)接点连接紧密、接触良好,必要时导体接触面上涂电力脂,以保证接触面积。在爆炸性气体环境1区内的电缆线路严禁有中间接头,爆炸性气体环境2区和爆炸性粉尘环境10区和1区电缆线路不应有中间接头。在爆炸危险环境内的电气设备的金属外壳应可靠接地,并应采用专门的接地线。在爆炸危险场所使用铝芯导线或电缆时,导线或电缆的连接与封端,应采用压接、焊接或钎焊;接地线(或零线)的截面一定要保证。与设备接地(接零)端子一定要压接良好;接地和接零不能混用;导线与接线端子连接时,一定加垫圈;对于多股导线或软导线一定要压接或焊接接线鼻子;每个接线端子上连接导线不得超过两根,等等。对工程质量的检查验收是非常关键的一个环节。负责此项工作的人员一定要严把质量关,从安装工程开始到结束应跟踪检查,督促施工人员严格按规范完成每一项工作。
建立健全完善的安全用电管理制度,并严格执行,预防电气火灾发生
建立完善的用电管理制度,要从上到下,层层分明、责任落实到每个人。对于新增或转移用电负荷,搭接新线路、拉接临时施工电源,须由技术管理部门统一负责。停送电操作巡视检查、值班、维修等应严格执行电气作业安全组织措施的七项管理制度,并认真做好安全技术措施。电气工作人员须加强安全技术职业培训,严格考核标准,坚持证上网操作。应坚持巡回检查制度,发生问题,及时处理,消灭隐情。设备操作岗位,须落实,停机断电制度,责任落实到人。总之,完善制度严格执行责任到人,奖罚分明,是预防电气火灾隐患的较合理的方法。
加速老企业的整改工作,把电气火险隐患降低到较小
目前,大多数老企业存在不同程度的电气线路和元器件老化现象,有的还相当严重。根据目前的火灾形势,老企业须认真抓好电气火险隐患的整改工作。首先,要进行企业内部的自查,针对检查出的问题逐项落实资金进行整改,对不能及时整改的隐患要求相应的防范措施,专人负责检查管理。其次,要请消防部门进一步检查,认真完成整改工作。
结合新的消防要求,加装电气火灾监控设备和系统
新建木材加工企业,在电气设计时严格按照国家标准和规范的要求,通过电气火灾监控设备来预防和保护低压配电系统,防止电气火灾事故。老的企业由于线路和用电设备老化,电气事故频发,更应该通过加装电气火灾监控设备和系统,来提升系统的安全性,减少由于电气故障引起的火灾事故。
6 木材加工企业所用的电气设备及线路选择计算方法
企业在生产过程中要不断进行技术改造和生产结构的调整。为适应生产的需要,电气设备和线路也要求进行相应的调整。这种情况下,一般是由企业自己的工程技术人员来完成其设计工作。这里将木材加工企业中常用的电气设备和线路选择计算方法做一简单介绍。
电气设备的选择
电气设备的选择,在确定设备安装区域的爆炸和火灾危险等级的前提下,应按照《爆炸和火灾危险环境电力装置设计规范》(GB50058-92)中的各种电气设备防爆结构的选型表和各种电气设备防护结构的选型表选择与其安装区域的爆炸和火灾危险等级相适宜的电气设备型号。
电气线路的选择
首先,应根据各生产区域的爆炸和火灾危险等级,按照《爆炸和火灾危险环境电气装置设计规范》(GB50058-92)要求,确定电线、电缆的类型、较小截面、线路的走向和敷设方式等。其次,根据供电线路所带设备的数量和电机功率以及设备运行方式,确定线路的计算电流和计算负荷以及负荷工作时间。线路的计算电流和计算负荷的确定有需要系数法、利用系数法、单位面积功率法和单位指标法等等,设计者可根据需要选择相应的方法进行计算。电线、电缆截面的选择应按线路计算电流小于一定的敷设条件下导线相应工作时间的载流量选择导线截面积,同时要考虑线路敷设地段的散热条件。导线截面积选好后,还须按线路的敷设作为进行电压损失校验,一般动力负荷的低压线路的允许电压损失为5%。带有照明负荷的低压线路的允许电压损失为3%~5%。结尾再按照《爆炸和火灾危险环境电气装置设计规范》(GB50058-92)有关章节要求进行校验。
电气保护的配置
一般木材加工企业常用的是10kV以下配电变压器、电动机和低压供电线路,其电气保护的选择方法为:
(1)变压器保护 一般400kVA以下的变压器采用高压跌落保险保护。跌落保险的选择,首先应确定其额定电压为工作电压,再根据变压器较大工作电流乘以一个系数来确定熔体的额定电流。在木材加工行业中,较大功率的电动机一般都有启动装置,在确定系数时可不考虑电机自起动,该系统一般为1.1~1.3。400kVA~800kVA的变压器,若企业仅有一台专变,电业局一般要求在变压器的高压侧装置SF6高压断路器(自带短路保护和过流保护)。其选择一般由电业局有关部门确定。若企业有两台以上专变,应设立一个高压配电室,完成高压配电、高压配电线路的保护、变压器保护和无功集中补偿等功能。
(2)电动机保护和启动方式 木材加工企业使用的电机一般都是380V低压变流电机,很少采用高压电机。电机的功率多数在75kW以下,仅有少数设备的配套电机达到75kW以上,例如纤维板线使用的热磨机等。一般情况下生产设备在出厂时均配套有电动机,使用单位只需对设备所配电机的型式按安装场所的防火防爆等级进行校核即可。在选择保护之前,应先按照《工业与民用通用设备电力装置设计规范》GBJ55-83的有关章节确定电动机的启动方式。大功率绕线式电动机主要采用频敏变阻器起动方式。目前频敏变阻器由内置式和外置式两种,由于内置式频敏变阻器无触头,直接安装于转子轴上,与转子绕组串联连接。在启动时能随着频率的变化而自动的改变阻抗,实现电动机的无级起动。适当选择参数,可获得接近恒转矩等机械特性。具有接线简单、起动平稳、成本低、维护方便、无火花产生等优点,建议优先选择。我厂纤维分厂的三台热磨机于1990年采用内置式频敏变阻器取代了原有的外置式频敏变阻器,运行几年效果非常好,维护工作量和维修费用大大降低。鼠笼式电动机的降压启动,一般采用自耦变压器降压启动和星三角启动方式等两种方式,机械对启动转矩要求不高时,可选择星三角启动方式。电动机的保护应按照《工业与民用通设备电力装置设计规范》GBJ55-83有关章节进行选择。木材加工企业中,由于使用的电动机功率较低,所以,较常用的电机保护装置是:熔断器+热断电器和自动空气开关+热继电器。熔断器和自动空气开关主要作为电动机的短路保护和过电流保护,热继电器主要作为电动机的过负荷保护。选择不当,将会留下火灾隐患。应按照设计手册认真选择和匹配参数。
(3)低压线路保护 为在电气故障时,防止人身间接电击、电气线路损坏和电气火灾,低压配电线路应按要求装设短路保护过负载保护和接地故障保护。低压配电线路上下级保护电器的动作应具有选择性,各级间应能协调配合,但对于非重要负荷,可无选择性切断。配电线路应装设短路保护,保护电器应装设在每回线路的电源侧、线路的分支处和线路载流量减小处,距离被保护线路与电源线路的连接处3米以内,且不靠近可燃物的地方。用于线路短路和过载保护的电器有:熔断器、自动空气开关。低压配电线路的保护应符合《低压配电装置及级路设计规范》GBJ54-83。低压配电线路的保护除确定额定电流值和保护整定电流值之外,还要进行保护电器的级间配合校验和保护电器与配电线路的配合校验,以达到在低压线路发生短路或过载时,能合理地保护用电设备、配电线路和防人身间接电击,并减少不必要的停电。结尾再按照《爆炸和火灾危险环境电气装置设计规范》(GB50058-92)有关章节要求进行校验。
(4)低压线路电气火灾监控设备和系统的配置
电气火灾监控系统主要通过装设于各配电回路的剩余电流式电气火灾探测器、故障电弧探测器和电气防火限流式保护器,对线路的剩余电流、过电流、过电压、温度、故障电弧等信号进行采集和监视,实现对电气火灾的早期预警和报警,当必要时联动切除切除信号超标的回路,对短路回路进行短路灭弧保护,达到预防和保护的目的。
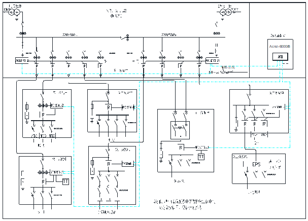
下图为某木材加式企业配电系统电气火灾监控配置方案,采用了安科瑞品牌的监测系统和监控设置。
该方案低压配电回路设置了安科瑞ARCM系列的剩余电流式电气火灾探测器,用来监测各回路的剩余电流和线缆温度。照明回路中装设了AFDD系列的故障电弧保护器,用来监测回路中的故障电弧,并进行保护。仓库的配电回路装设了ASCP系列的电气防火限流式保护器,用于线路的短路灭弧保护。所有监测设备通过RS485总线组网后,将数据上传到Acrel-6000/B电气火灾监控主机,实现对所有监测数据的远程集中监控。方案的产品选型表如下表所示:
该企业电气火灾监控系统运行以来,共报警并排查了线路漏电故障6起,故障电弧故障3起,避免了因故障导致更大电气安全隐患,对预防电气火灾事故起到了积极的作用。
7、总结
木材加工企业作为火灾危险场所,防火要求至关重要。传统的老旧企业在电气安全设计上已不符合新的电气防火规范的要求,为了提高供电系统的安全,需要进行配电系统改造。随着新的电气防火技术和防火设备的不断出现,结合新的规范要求,可以采用电气火灾监控设备和系统,以实现对电气火灾的预防、报警与保护,减少电气火灾事故的发生。