
安科瑞电力监控系统在广西交投大厦光伏发电项目的设计与应用
发布时间:2023/4/13 9:14:00安科瑞 崔丽洁
摘要:光伏发电监控系统,汇流箱、逆变器、交直流配电柜、太阳跟踪控制系统等设备进行实时监控和控制,通过各种样式的图表及数据快速掌握电站的运行情况,其友好的用户界面、强大的分析功能、完善的故障报警确保了太阳能光伏发电系统的完全可靠和稳定运行。
关键词:光伏发电;智能电力仪表;Acrel-2000;电力监控系统。
0概述
本项目主要是通过电力监控系统实时监测广西交投大厦屋顶光伏发电,使用安科瑞品牌汇流箱AGFT-M4、深圳科士达逆变器KSG1-100K、利城环境检测仪实时监测环境参数,并网柜使用安科瑞多功能仪表计量发电量。以上设备通过RS485通讯与后台组网。
1需求分析
为保证光伏发电系统的正常工作。需要对项目现场的汇流箱、逆变器进行电压、电流、功率等参数进行实时在线监控。通过环境监测仪实时掌握天气情况,一旦监控点被监视参数异常,能够及时越限报警,有关人员采取相应的措施,避免安全事故的发生。自动抄表功能节省了人力物力,功率趋势曲线功能能够直观的显示各回路的工作状态,便于用户了解整个光伏发电系统运行情况。
数据采集
自动采集现场所有电量仪表的模拟量数据,自动采集现场开关状态以及故障状态等开关量数据。
支持实时采集、自动周期采集(定时采集)可配置周期(1分钟~24小时)。
支持数据传输正确性检验,异常数据自动处理。
支持多线程处理机制,提高数据采集效率,能同时对多个设备进行数据采集。
数据实时显示采用光伏发电主接线图直观显示模式,各回路开关断合以及故障状态直观可见。
数据分析与处理
数据的综合统计、分析需要实现以下功能:
各汇流箱发电数据小时、日、月、年等时间段内发电量的统计、计算。
各的发电功率最大、最小、平均值计算。
统计各分站及整体的发电量。
权限管理
要求对不同用户赋予不同角色的权限,能授权到功能子菜单、具体档案记录、数据记录等。
系统要求具备合理完善的用户安全控制机制,能使应用环境中的信息资源得到有效地保护,防止信息的丢失、失窃和破坏。
为生产节能改造提供数据支撑,并能提供节能改造前后的效果评估。
2系统方案
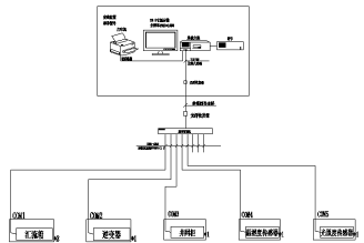
安科瑞Acrel-2000系统根据广西交投大厦光伏发电项目现场实际情况,整体网络结构采用屏蔽双绞线直接接至数据采集器然后通过光纤将数据上传至值班室的监控主机,保障了电力监控系统传输的稳定性与实时性。
1)站控管理层
站控管理层针对电力监控系统的管理人员,是人机交互的直接窗口。在广西交投大厦光伏发电项目工程中主要指置于地下一层配电室的监控主机。
2)网络通讯层
通讯层主要是由采集器、以太网设备及总线网络组成。通讯管理机主要功能是监测现场智能仪表;以太网设备及总线网络的主要功能是实现分站与主站之间的数据交互,使发电系统管理集中化、信息化、智能化,提高了发电系统的安全性、可靠性和稳定性,达到了无人值守的目的。
3)现场设备层
现场设备层是数据采集终端,主要由智能仪表组成,智能仪表通过屏蔽双绞线RS485接口,采用MODBUS通讯协议总线型连接接入通讯服务器,通讯服务器通过光纤到达该值班室监控主机进行组网,实现远程监控。
系统结构图
3系统功能
光伏发电一次实时系统图为主监控画面,主要实时监测变电所所有回路的运行状态,红色代表合闸,绿色代表分闸。在系统图中可以直观的看到每路进线和出线的运行参数和状态,可以看到汇流箱、并网柜、逆变器等设备的所有常规电力参数,如:电压、电流、发电功率、总发电量等。如下图所:
一次系统图
监控系统可分区域实时监控各光伏阵列的充电电压及电流、蓄电池电压及温度等信息,并对故障点进行异常显示与报警提示。
可针对光伏发电现场的各种事件进行记录,如:通讯采集异常、开关变位、操作记录等,时间记录支持按类型查询,并可对越限报警进行更改设置如下图所示:
报警功能实时查询
参数抄表功能,主要对汇流箱各回路的电参数进线查询。支持任意时刻电参数查询,具备数据导出和报表打印等功能。该报表查询广西交投大厦光伏发电各发电回路的电参数,主要包括:电流、发电功率和发电量。该报表各回路名称和数据库关联,方便用户修改回路名称。如下图所示:
电参数抄表
系统通讯结构示意图,主要显示系统的组网结构,系统采用分层分布式结构,同时监测间隔层设备的通信状态。红色表示通讯正常,绿色表示通讯故障。下图为变电所通讯状态示意图。
通讯结构示意图
4结束语
在光伏发电系统中,发电系统的安全性至关重要,本文介绍的Acrel-2000电力监控系统在广西交投大厦光伏发电项目的应用,可以实现对发电回路的电参量的实时监控,不仅能显示回路发电状况,还具有网络通讯功能,可以与串口服务器、计算机等组成电力监控系统。系统实现对采集数据的分析、处理,实时显示光伏系统的运行状态,对参数越限具有弹出报警对话框、语音提示,并生成各种电能报表、分析曲线、图形等,便于电能的远程抄表以及分析、研究,该系统运行安全、可靠、稳定,为项目解决用电问题提供了真实可靠的依据,取得了较好的企业效益。