
西门子S120交流驱动器直流母线电容器的组建
发布时间:2018/7/31 15:26:00西门子S120交流驱动器直流母线电容器的组建
注意 出厂时间过长可导致组件损坏出厂时间超过两年后,上电时组件可能会被损坏。
|
上海斌勤电气技术有限公司(西门子合作伙伴)
联系人 :康 奎(业务经理)发布
地 址:上海市松江区三新北路1800弄24号楼5005室.
如果在生产后的两年内进行过调试,则无需重整直流母线电容器。模块的生产时间您可以从铭牌上的序列号中获取。
提示 存放时间自生产时间计算,而不是自交货时间计算。 |
生产日期
序列号中包含了指出生产日期的符号/数字(例如:T-E92067000015,表示 2014 年 9 月):
列表: 生产年份和生产月份
字符 | 生产年份 | 字符 | 生产月份 |
|---|---|---|---|
A | 2010 | 1 至 9 | 一月到九月 |
B | 2011 | O | 十月 |
C | 2012 | N | 十一月 |
D | 2013 | D | 十二月 |
E | 2014 | ||
F | 2015 | ||
H | 2016 | ||
J | 2017 | ||
K | 2018 | ||
L | 2019 | ||
M | 2020 | ||
N | 2021 | ||
O | 2022 |
序列号位于铭牌上。
在重整时,以定义的电压和受限的电流加载直流母线电容器,恢复直流母线电容器工作所需的内部条件。
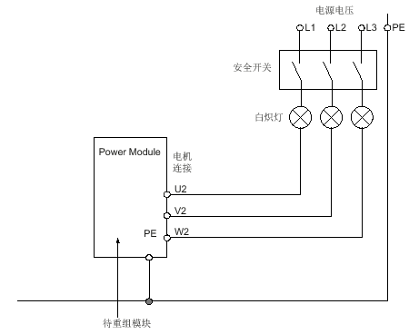
重整电路
重整电路可以借助白炽灯或电阻建立。
不接入传动组进行充电所需要的组件
1 个 3 相熔断器开关 400 V / 10 A 或 2 相 230 V / 10 A
电缆 1.5 mm2 (AWG 16)
3 个白炽灯,230 V / 100 W,3 AC 380 - 480 V
另一种选择是使用 3 个电阻,每个 1 kΩ / 100 W(例如:Vishay 的 GWK150J1001KLX000)。2 个白炽灯,230 V / 100 W,1 AC 200 - 240 V
另一种选择是使用 2 个电阻,每个 1 kΩ / 100 W(例如:Vishay 的 GWK150J1001KLX000)。不同的零部件,如灯座等。
图片: 用白炽灯重整功率模块 3 AC 的电路
图片: 用电阻重整功率模块 3 AC 的电路
图片: 用电阻重整功率模块 1 AC 的电路
步骤
请确保设备不会接收到上电指令(例如:通过键盘或端子台获得指令)。
接通重整回路。
重整期间白炽灯必须变暗/熄灭。如果白炽灯持续发光,表明设备或者布线存在故障。
在采用电阻的重整回路中,模块的重整时间必须至少达 1 小时。设备有故障时,电阻会变热,表面温度超出 80 ℃。