
美国进口德威尔压差表北京现货
发布时间:2016/7/14 9:04:00
Dwyer2000差压表,美国德威尔2000差压计,Dwyer2000压差表, Dwyer差压表Dwyer2000差压表现货,MAGNEHELIC差压表
选择美国德威尔(美国DWYER)的Magnehelica压力计可以获得2%满刻度以内的高,有81种量程范围选择,非常精准地测量室内外压差。这种压力计采用美国德威尔(美国DWYER)无磨损的Magnehelica活动部件,快速指示空气或非腐蚀性气体的低压-正压、负压(真空)或差压皆可。美国德威尔差压表抗冲击、防震,且具有抗过压能力。它没有压力计液体蒸发、冻结,也不会导致中毒或水准问题。德威尔仪表性价比电高,质量好售后快。 这种压力计被广泛用来测量风扇、鼓风机的压力、过滤器阻力、风速、炉体通风、孔板造成的压降,发泡系统的液位和流体放大器的压力或液压系统的压力。它还能检测气体-空气比率控制和自动阀门,及监测药学护理设备的血液和呼吸压力。
安装
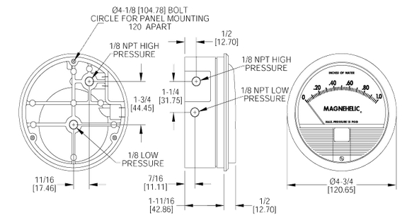
美国德威尔(美国DWYER)大多数Magnehelica压力计采用同一种尺寸的外壳。可以利用随产品提供的硬件对压力计进行表面安装或嵌入式安装。使用A-610型管道安装件,可以轻易地将它安装在水平或垂直的1-1/4"~2"管道上。虽然它是对垂直位置进行标定的,但很多量程大于1"的,只需作简单的重新调零即可用于任意角度。然而,为了达到,它们必须在与使用位置相同的位置进行标定。这些特性使得Magnehelica压力计无论对固定安装使用,还是对便携使用,都很理想。如果要进行嵌入式安装,必须钻一个49/16"的孔。每个设备配有完整的安装和连接件及说明。
差压表用途:医药行业GMP专用仪表;用于测量药厂、电子厂洁净室洁净厂房的正负压差,暖通空调,净化空调,净化台风淋室专用表,洁净空调过滤网压差的检测等
常用量程范围:0-60Pa、0-±60Pa、0-125Pa、0--±125Pa、0-250Pa、0-±250Pa、0-500Pa、0-750Pa等81种范围规格。压力限制:-68KPa~103KPa
过压:172KPa(高压选项过压达551.6KPa)
:±2% 满量程(±3% : -0, -100PA, -125PA, -10MM 及 ±4% : -00, -60PA, -6MM 量程), 全量程范围在70°F (21.1°C).
外型:120.65X55.56mm
重量:460g
标准附件:两个1/8"NPT插头,用于两个压力管嘴,两个1/8" 管螺纹,用于橡胶管接头。三个带螺栓的埋头安装接口(安装环、按扣环固定器用于替换中压和高压压力计上附件的三个接头)。
.jpg)
选型表: