
田径场地面层材料(塑胶)耐鞋钉践踏性处理试验装置的应用与简介
发布时间:2018/5/4 15:14:00近年来,随着经济社会的快速发展和人民生活水平的不断提高,国家大力推动公共体育服务保障与供给,全民健身活动蓬勃开展,体育健身已融入群众日常生活。 田径场地作为田径运动的基础设施,作为提升竞赛成绩、 训练水平以及学校体育教育水平是必不可少的。
从 2014 年开始,北京、苏州、无锡、南京、常州、深圳、上海、河北等地学校发生“异味跑道、异味操场” 的现象,有的造成学生流鼻血、过敏、头晕、恶心等症状。“毒跑道”事件受到社会各界的关注。 现存田径跑道相关标准的先进性受到多方质疑,因此,国家标准化管理委员会启动的了与田径跑道相关标准的修订工作,随之本标准也正是进入修订流程。
经国家标准化管理委员会协调各标准之间的关系,明确体育设施领域标准内容的定位。 同时根据国际和国内田径运动管理部门的技术要求,编制符合比赛、训练和休闲用的场地设施标准,为设计、建设、施工、验收提供技术依据。2017年5月15日,《体育场地使用要求及检验方法 第6部分:田径场地》征求意见稿发布,向社会征求意见,意见反馈截止至2017年6月15日。
与 GB/T 14833《合成材料场地面层》和 GB/T 19851.11《中小学体育器材和场地 第11 部分 合成材料面层运动场》的关系:由于“毒跑道”事件,三项标准的修订工作相继启动,经国家标准化管理委员会沟通,明确了三项标准的不同定位,本标准的主要针对竞赛、训练、教学(不含中小学)和大众健身用室外合成面层的使用要求及检验方法。
本标准主要规定了田径场地的分类、 要求、检验方法及合格判定规则, 适用于渗水型和非渗水型现场浇注铺装和预制铺装的竞赛、训练、教学(不含中小学) 和大众健身用室外合成面层田径场地。 本标准代替 GB/T 22517.6-2011。与 GB/T 22517.6-2011 相比,除编辑性修改外主要技术变化如下:
将标准适用范围进行调整(见1, 2011版1) ;
将Ⅱ、Ⅲ类场地的面层平整度要求进行了部分调整(见5.1.3表2,2011版5.1.3表2);
增加了不同温度下面层材料物理机械性能要求(见5.2.3.1) ;
增加了面层材料耐鞋钉践踏性要求(见5.2.4.2) ;
增加了竞赛场地起跑线计算要求(见5.5);
增加了有害物质含量的测定方法(见6.2.2.2,2011版6.2.2);
增加了耐鞋钉践踏处理方法(见6.2.4.3);
将面层材料中有害物质限量值要求进行调整(见5.2.2, 2011版5.2.2);
删除了附录C(见2011版附录C)。
主要技术内容的编制依据如下:
(1)为保证与 GB/T 14833《合成材料场地面层》和 GB/T 19851.11《中小学体育器材和场地 第 11 部分 合成材料面层运动场》的协调性调整了本标准的适用范围。
(2) 场地的面层平整度要求根据国际田径联合会《田径场地设施手册》及中国田径协会场对田径场地现场检测方法进行修改;
(3) 不同温度下面层材料冲击吸收性能和垂直变形性能要求的依据为国际田联《IAAF Certificaton System Track and Runway Synthetic Surface Testing Specification》
(4) 面层耐践踏性能及检测方法的依据为国际田径联合会《田径设施手册》及 EN14810-2006 《Surfaces for sports areas - Determination of spike resistance》 ;
(5) 竞赛场地起跑线计算依据为中国田径协会译制的《田径竞赛规则》 ;
(6) 调整面层材料中有害物质限量值要求、 测定方法和删除附录 C 是根据国家标准化管理委员会相应部门的意见,与全国橡胶与橡胶制品标准化技术委员会橡胶杂品分技术委员会协调,决定在本标准中环保相关要求完全引用 GB/T14833《合成材料跑道面层》 ,故删除标准中对应的检测方法。
(7)竞赛用场地是指经国际田径联合会或中国田径协会认可的田径场地,所有要求、检测方法和质量评定原则必须与国际田径联合会和中国田径协会的相关规定保持一致。
DELTA德尔塔仪器是一家专注于田径运动场地、塑胶跑道、人造草坪、网球场地、篮球场地等场地设施检测设备的集成开发供应商,很早之前我们就和国外的客户一起开发过测试面层合成材料(塑胶)鞋钉耐践踏磨损性能的设备,客户使用效果良好,值此新标准征集稿发布之际,我们正式向市场推荐此款仪器及相关性能测试方法:

Fig 1 面层材料耐践踏处理试验装置(整机)

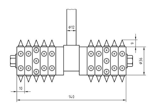
Fig 2 尖峰试验装置(鞋钉耐践踏模拟装置)
田径场地面层材料耐鞋钉践踏试验装置适用于测定运动场地合成材料表面对尖峰阻力的测量以及田径场地面层材料耐鞋钉践踏处理试验。运动场地合成材料表面试样通过装有尖峰的金属辊暴露在践踏磨损过程中。在磨损过程中测量的运动场地合成材料表面的拉伸强度和断裂伸长率的差异是表面对尖峰的阻力的量度范围。
试验条件:耐鞋钉践踏试验应在实验室条件下进行,实验温度为(23±2)°C,相对湿度为(50±10)%。
鞋钉尖峰装置:由水平轴和10个轮子组成,其厚度为(10±1)mm,直径为¢(36±1)mm。10个轮子分别装有2个模拟鞋钉,共20颗,材质为橡胶;模拟鞋钉的长度为(9±1)mm,直径为(5±1)mm。10个轮子中的每一个都可以独立自由旋转,滚子集中安装在尖峰(耐践踏)装置的竖直轴上,使其与轴一起转动,但能够在垂直方向自由移动。滚筒的总质量应调整为(10±0,1)kg;
试验步骤:1)将电机转速调整为(20±2)转/min。将秒针固定在秒针装置平台上的保持架上。打开电机,让它运行(1±20)Rev。
2)对塑胶样块进行至少1200转的处理,从平台上取出测试样品。在第三个测试样本上重复这个过程。
3)根据EN12230对五个拉伸试件进行拉伸试验,从受鞋钉践踏处理后的第二和第三个试样的直径(140±10)mm的区域中进行拉伸试验。
4)采用目视方式检查践踏磨损处理后的第三个标本。在直径为¢(70±5)mm的芯轴上对第三个试样进行弯曲试验,观察磨损后的试样表面是否有诸如裂纹、损坏、变形等明显外观变化。
