
抖音 MV-ID5060M-16S-WBN 海康600万16mm镜头卷帘黑白工业读码器 1/1.8英寸CMOS 全功能型 卷帘快门30fps
发布时间:2026/4/3 18:57:00MV-ID5060M-16S-WBN 海康600万16mm镜头卷帘黑白工业读码器 1/1.8英寸CMOS 全功能型 卷帘快门30fps 内置深度学习读码算法,可适应多种复杂工况,鲁棒性强 IP67防护 zui大读取速度90个码/秒 分辨率3072×2048 供电24VDC 镜头接口M12-Mount,可机械调焦 支持TCP/IP、Serial、FTP、Profinet、Ethernet/IP、MELSEC、Fins等通讯协议 MV-ID5060M-16S-WBN
MV-ID5060M-16S-WBN
海康机器人16mm机械调焦镜头600万像素1/1.8英寸CMOS,卷帘快门30fps,黑白全功能型工业读码器


MV-ID5060M-16S-WBN 海康机器人16mm机械调焦镜头600万像素1/1.8英寸CMOS,卷帘快门30fps,黑白全功能型工业读码器 功能特性:
选用6MP高性能卷帘快门Sensor,图像质量优异
内置深度学习读码算法,可适应多种复杂工况,鲁棒性强
提供多种镜头接口,可选机械调焦镜头,自动完成对焦,调试简便
支持TCP/IP、Serial、FTP、Profinet、Ethernet/IP、MELSEC、Fins等通讯协议
集成分路可控照明模块,选择多样化
IP67防护,无惧严苛的工业应用环境
订货型号
MV-ID5060M-16S-WBN
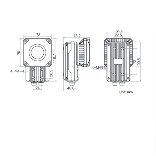
MV-ID5060M-16S-WBN 海康机器人16mm机械调焦镜头600万像素1/1.8英寸CMOS,卷帘快门30fps,黑白全功能型工业读码器 外形尺寸:

MV-ID5060M-16S-WBN 海康机器人16mm机械调焦镜头600万像素1/1.8英寸CMOS,卷帘快门30fps,黑白全功能型工业读码器 详细技术参数:
型号 型号 MV-ID5060M-16S-WBN
名称 16mm机械调焦镜头600万像素全功能型工业读码器
性能 条码类别 一维码:Code 39,Code 93,Code 128,CodaBar,EAN8,EAN13,UPCA,UPCE,ITF14,ITF25,Matrix 25,MSI,China Post,Code 11等
二维码:QR,DM等
堆叠码:PDF417等
zui大处理帧率 30fps
zui大读取速度 90个码/秒
传感器 卷帘快门,黑白,1/1.8英寸,2.4μm×2.4μm
分辨率 3072×2048
曝光时间 16μs~1sec
增益 0dB~40dB
电气特性 数据接口 Gigabit Ethernet(1000 Mbit/s)
通讯协议 SmartSDK,TCP Client,Serial,FTP,TCP Server,Profinet,Melsec/SLMP,Ethernet/IP,ModBus,FINS
数字I/O 12-pin M12接头提供电源和I/O,包含3路光耦隔离输入(LineIn 0/1/2),3路光耦隔离输出(LineOut 3/4/5),1路RS-232输入,1路RS-232输出
供电 24VDC
功耗 平均功耗:18W@24VDC(启用自带补光灯)
zui大功耗:20W@24VDC(启用自带补光灯)
结构 焦距 16mm
镜头接口 M12-Mount,可机械调焦
镜头罩 透明镜头罩,可选偏振镜头罩
光源 白光,可选购红光、蓝光、红外光
指示灯 电源指示灯PWR,网络指示灯LNK/ACT,用户指示灯U1/U2
外壳材质 金属
外形尺寸 118.7mm×78mm×73.2mm
重量 约520g
IP防护等级 IP67(正确安装适当镜头防水罩的情况下)
温度 工作温度0 ~ 50°C,储藏温度-30 ~ 70°C
湿度 20% ~ 95%RH无冷凝
抗振动强度 裸机,10Hz~55Hz,全振幅 1.5mm,X、Y、Z各方向2小时(IEC 60068-2-6:2007\GB/T2423.10-2019)
抗冲击强度 裸机,30 g / 11 ms,半正弦波,六个轴向,每个轴向 500 次冲击(IEC 60068-2-27\GB/T 2423.5-2019)
一般规范 软件 IDMVS
认证 CE,RoHS,KC
MV-ID5060M-16S-WBN 海康600万16mm镜头卷帘黑白工业读码器 1/1.8英寸CMOS 全功能型 卷帘快门30fps 内置深度学习读码算法,可适应多种复杂工况,鲁棒性强 IP67防护 zui大读取速度90个码/秒 分辨率3072×2048 供电24VDC 镜头接口M12-Mount,可机械调焦 支持TCP/IP、Serial、FTP、Profinet、Ethernet/IP、MELSEC、Fins等通讯协议 MV-ID5060M-16S-WBN