
M2518-APVSW2 Computar 25mm可见光近红外工业镜头 400nm-1700nm全波长
发布时间:2025/11/29 12:17:00M2518-APVSW2 Computar 25mm图像传感器工业镜头 日本Computar康标达 500万像素 镜头焦距25mm 光圈范围F1.8‐ F16.0 手动光圈 手动聚焦 工作温度:-10°C ~ +50°C 质量140g zui小工作距离0.1m 专为下一代 Visible+SWIR 铟镓砷图像传感器设计 (IMX990/IMX991/IMX992/IMX993) 在波长 400-1700nm 之间实现焦点偏移全面补正 通过浮动对焦设计实现全工作距离、全波长的轴向色差和倍率色差补正 利用超宽带域 AR 涂层实现 400nm-1700nm 全波长高透射率 近红外吸收涂层可防止光散射,确保清晰成像 M2518-APVSW2
M2518-APVSW2
日本Computar康标达1/1.4英寸500万像素25mm定焦VISIBLE + SWIR图像传感器镜头

M2518-APVSW2 日本Computar康标达1/1.4英寸500万像素25mm定焦VISIBLE + SWIR图像传感器镜头 产品特点:
专为下一代 Visible+SWIR 铟镓砷图像传感器设计 (IMX990/IMX991/IMX992/IMX993)
的消色差设计,在波长 400-1700nm 之间实现焦点偏移全面补正
通过浮动对焦设计实现全工作距离、全波长的轴向色差和倍率色差补正
利用超宽带域 AR 涂层实现 400nm-1700nm 全波长高透射率
近红外吸收涂层可防止光散射,确保清晰成像
M2518-APVSW2 日本Computar康标达1/1.4英寸500万像素25mm定焦VISIBLE + SWIR图像传感器镜头 详细技术参数:
型号:M2518-APVSW2
焦距:25mm
zui大光圈比:1:1.8
zui大画面尺寸:φ11.4mm
波长范围:400nm - 1700nm
工作范围:光圈:F1.8‐ F16.0
聚焦:0.1m‐ Inf.
控制: 光圈:手动
聚焦:手动
视角:对角:1/1.4:25.5° ;1/1.8:20.0°; 1/2: 18.6°;1/4:9.4°;
水平:1/1.4:20.0° ;1/1.8:16.1°; 1/2: 14.6°;1/4:7.3°;
垂直:1/1.4:16.1° ;1/1.8:12.1°; 1/2:11.7°;1/4:5.9°;
zui小物距:镜头前 0.1m
工作温度:-10°C ~ +50°C
失真:1/1.4": 0.0% ;1/1.8": -0.1%
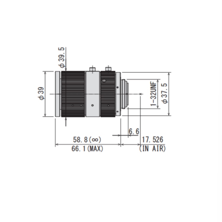
后焦距:11.9mm
后法兰长度:17.526mm
接口:C- 接口
滤片尺寸:M37.5 P=0.5mm
外观尺寸:φ39.5mm×58.8mm
重量:140g

M2518-APVSW2 日本Computar康标达1/1.4英寸500万像素25mm定焦VISIBLE + SWIR图像传感器镜头 产品尺寸图:

M2518-APVSW2 Computar 25mm图像传感器工业镜头 日本Computar康标达 500万像素 镜头焦距25mm 光圈范围F1.8‐ F16.0 手动光圈 手动聚焦 工作温度:-10°C ~ +50°C 质量140g zui小工作距离0.1m 专为下一代 Visible+SWIR 铟镓砷图像传感器设计 (IMX990/IMX991/IMX992/IMX993) 在波长 400-1700nm 之间实现焦点偏移全面补正 通过浮动对焦设计实现全工作距离、全波长的轴向色差和倍率色差补正 利用超宽带域 AR 涂层实现 400nm-1700nm 全波长高透射率 近红外吸收涂层可防止光散射,确保清晰成像 M2518-APVSW2