
M1614-MP2 Computar150万2/3英寸16mm工业镜头 康标达大光圈FA镜头
发布时间:2019/8/1 18:21:00M1614-MP2 Computar150万2/3英寸16mm工业镜头 日本康标达2/3英寸大靶面镜头 机器视觉工业镜头 16mm固定焦距 F1.4光圈 C接口 150万像素FA镜头 CBC高清画质镜头 ComputarFA超高清镜头 M1614-MP2
M1614-MP2
Computar 2/3" 16mm f1.4 w/locking Iris & Focus, Megapixel (C Mount)
2/3 1-1.5MP C MAN FA
M1614-MP2 Computar康标达2/3英寸150万像素16mm工业镜头 产品特点:
DESCRIPTION
Dedicated design emphasis on the performance for close-up applications required in factory automation and image processing areas.
Captures full resolution of megapixel cameras
Low distortion
Assured excellent light intensity even in peripheral areas
High contrast and sharp picture in all areas of the screen
Compact design
Locking set screws for focus and iris
焦距:16mm Fixed Lens
像素:1.5 Megapixel
接口:C Mount
靶面:2/3” format lens
光圈:F 1.4-F16C
聚焦:0.3M-Inf
控制:光圈 手动 聚焦 手动
工作温度:-10°-+50°
后焦距:13.1mm(WD=300mm)
后法兰长度:17.526mm
滤片尺寸:M30.5 P=0.5mm
外观尺寸:33.5mmX28.2mm
重量:60g
备注:获取百万像素相机的全解析力 全幅面的高对比度、锐度 低失真率(小于1.0%) 紧凑型设计-直径33.5mm 配有聚焦、光圈锁定螺丝
M1614-MP2 日本Computar康标达2/3英寸150万像素16mm工业镜头 具体参数:


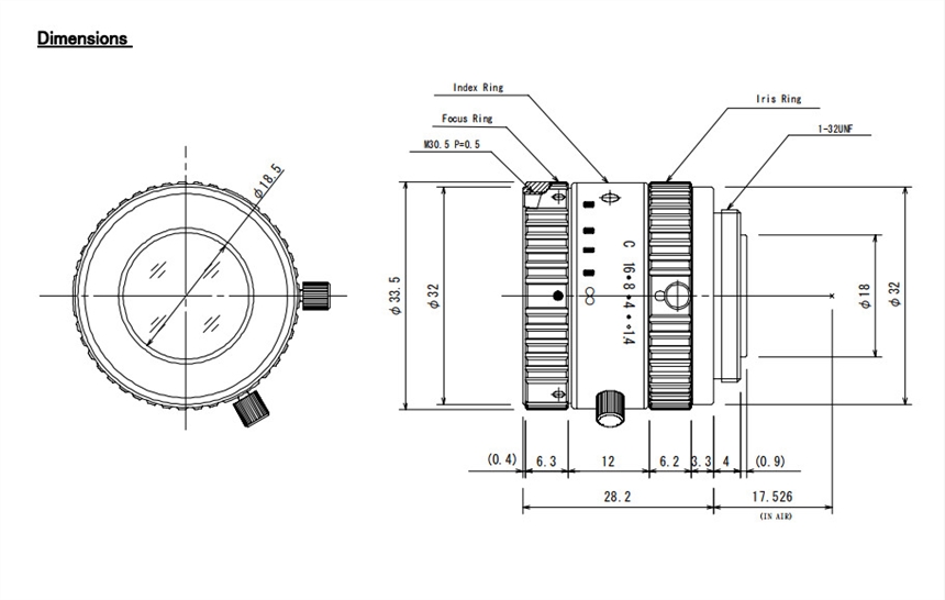
M1614-MP2 日本Computar康标达2/3英寸150万像素16mm工业镜头 产品尺寸图:

M1614-MP2 Computar150万2/3英寸16mm工业镜头 日本康标达2/3英寸大靶面镜头 机器视觉工业镜头 16mm固定焦距 F1.4光圈 C接口 150万像素FA镜头 CBC高清画质镜头 ComputarFA超高清镜头 M1614-MP2