
V1628-MPY 日本Computar工业镜头 1200万像素1.1英寸16mm镜头
发布时间:2019/7/28 11:54:00V1628-MPY 日本Computar康标达1.1英寸16mm工业镜头 1200万像素 1.1英寸大靶面镜头 机器视觉工业镜头 16mm固定焦距 F2.8光圈 C接口 CBC高清画质镜头 V1628-MPY
V1628-MPY
FEATURED
1.1" 16mm F2.8 12 Megapixel (C Mount) Lens
1.1 12MP C MAN FA
V1628-MPY Computar康标达1.1英寸1200万像素16mm工业镜头 产品特点:
DESCRIPTION
The MPY Series supports 1.1” sensor format at 12 Megapixel resolution in a C-mount lens. The MPY Series combines high performance optics with a variety of common focal lengths for maximum application flexibility.
For Machine Vision and ITS Applications
16mm Fixed Lens
12 Megapixel
C Mount
Smallest 1.1” format lens for > 10MP Lens in the industry
F 2.8
3.45μm pixel size
Light weight
Vibration resistance up to 5G
Image circle ?17.6
Also Available in 8, 12, 25, 35 and 50mm focal lengths
V1628-MPY 日本Computar康标达1.1英寸1200万像素16mm工业镜头 具体参数:


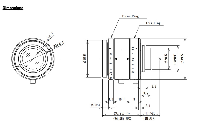
V1628-MPY 日本Computar康标达1.1英寸1200万像素16mm工业镜头 产品尺寸图:

V1628-MPY 日本Computar康标达1.1英寸16mm工业镜头 1200万像素 1.1英寸大靶面镜头 机器视觉工业镜头 16mm固定焦距 F2.8光圈 C接口 CBC高清画质镜头 V1628-MPY